Endklemme - M8 Loch - Aluminium 6060 - H35

Verfügbarkeit: Auf Lager (große Menge)
Lieferung innerhalb von: 6 Arbeitstage
Gewicht: 0.02 kg
Preis / stk.: 0,27 € 0.27
inkl. 19.00% MwSt., zzgl. Versandkosten
Nettopreis / stk.: (0,23 €)
zzgl. 19.00% MwSt., zzgl. Versandkosten

discount mark
Sparen Sie mehr Geld mit größeren Verpackungen!
Je größer die Verpackungseinheit, desto niedriger der Stückpreis!
discount tip




Menge stk.

product unavailable

Zur Wunschliste hinzufügen
* - Feld obligatorisch
Visa Mastercard Google Pay Apple Pay PayPal Bank Transfer
Bewertung: 2.36364
Anbieter: Synerga
Produktcode: PV-03-05

Beschreibung

Endklemme - M8 Loch - Aluminium 6060 - H35

Verfügbare Größen
Verfügbare Materialien

Seitendruckklemme aus Aluminium 6060, 35mm, M8-Loch, für Photovoltaik-Module.

Die Seitendruckklemme oder Seitendruckklemme ist ein wichtiges Befestigungselement für die Montage von Solarmodulen und dient der Befestigung des Solarmoduls am Aluminiumprofil. Sie wird für die Montage von Solarmodulen auf Flach- und Schrägdächern verwendet.

Benutzen Sie die seitlichen Klammern für die Abschlussplatten, die in einer Reihe auf dem Dach des Gebäudes angebracht werden. Verwenden Sie die Mittelklammern zwischen den Platten.

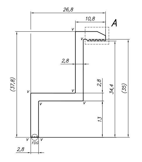
Der wichtigste technische Parameter der Klemme ist ihre Arbeitshöhe, die mit der Höhe des zu montierenden Photovoltaikmoduls übereinstimmen muss. Die Klemme H30 hat eine Arbeitshöhe, die für ein 30 mm dickes Paneel geeignet ist, die Klemme H35 für ein 35 mm dickes Paneel und so weiter.

Aus ästhetischen Gründen sind diese Schellen auch in einer schwarz eloxierten Version erhältlich. Die Eloxierung verbessert auch die Haltbarkeit des Bauteils, indem sie seine Widerstandsfähigkeit gegenüber Umwelteinflüssen erhöht.

Bitte überprüfen Sie die Plattenstärke, um die Höhe der Klemme zu bestimmen.

Die Klemme ist mit den folgenden Montageprofilen kompatibel:

  • Aluminiumprofile für Sechskantschrauben.
  • Aluminiumprofile für T-Schrauben.
  • Trapezprofile für Dächer aus Trapezblechen.

Spezifikationen

  • Werkstoff: Aluminium 6060
  • Befestigungsprofil: M8 Schraubenloch
  • Länge: 50mm

Eigenschaften von Aluminium 6060

  • Widerstandsfähig gegen Korrosion und äußere Einflüsse.
  • Gute mechanische Festigkeit, Schlagfestigkeit.
  • Geeignet für die Eloxierung, die zusätzlichen Schutz und ein dekoratives Finish bietet.

Verfügbare Größen

Typ
Dicke der Platte
 
H-30
30 mm
next arrow image
H-32
32 mm
next arrow image
H-35
35 mm
next arrow image
H-40
40 mm
next arrow image

Verfügbare Materialien

Materiał
 
ALU
next arrow image
 
Alu Eloxiert
next arrow image
 

Technische Daten

Klemmentyp Endklemme
Panelstärke [mm] 35
Farbe Silber
Erdungsstift Nein
Zubehör Ohne Zubehör

Safety

Es werden alle Bewertungen (positive und negative) angezeigt, wobei die Anzahl der Bewertungen auf der Plattform begrenzt ist. Wir verifizieren, dass sie von Kunden stammen, die das Produkt gekauft haben. Weitere Informationen finden Sie auf unserer Seite Kommentarrichtlinien.

Verwandte Produkte

hoch
×

VAT ID not verified in VIES!

Vollversion der Website anzeigen
Sklep internetowy Shoper.pl