0,34 €
0,28 €
Laufwagen 3-rollig für Hängeschiebetore für Profil 60x60 2 Stahlrollen 1 aus Kunststoff
product unavailable
Zur Wunschliste hinzufügen
Beschreibung
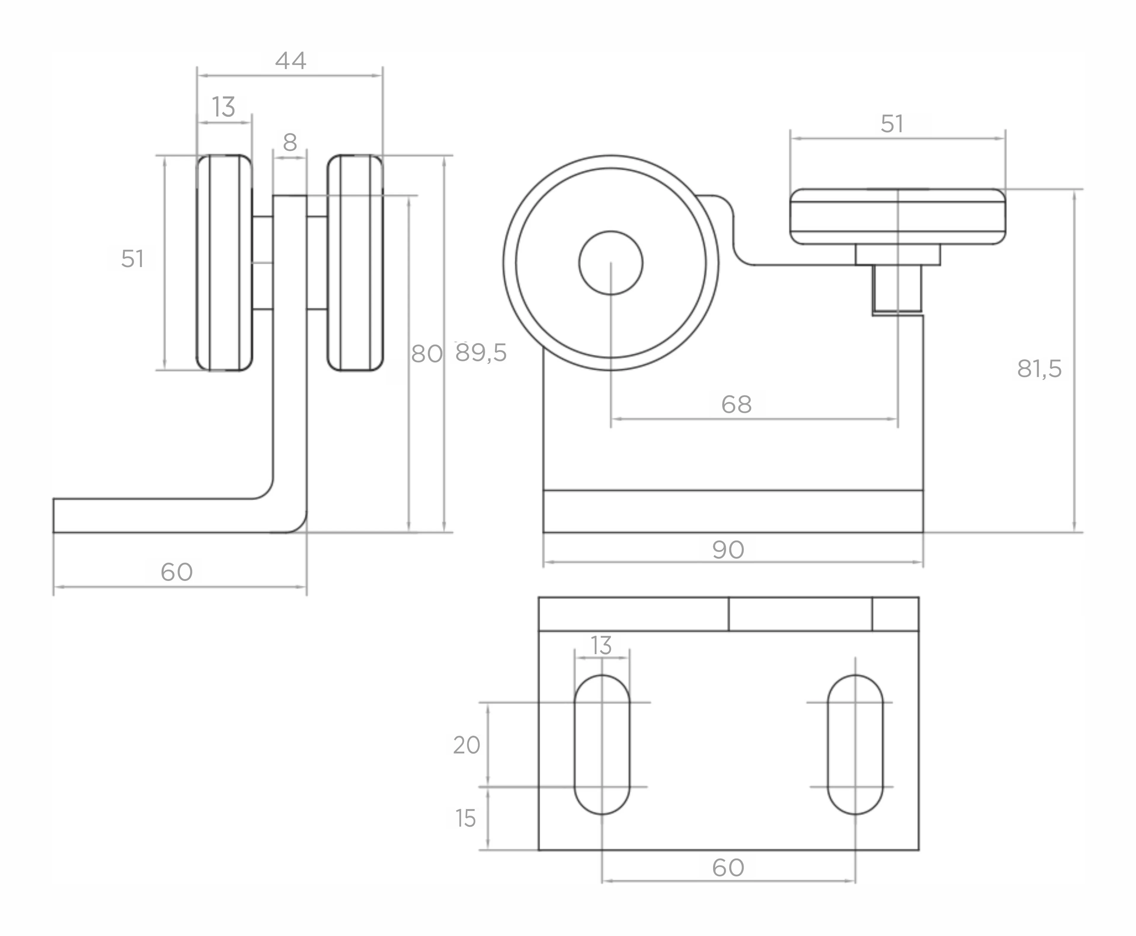
3-Rollen-Laufwagen für Hängetore – Profil 60x60 mm, 200 kg
3-Rollen-Laufwagen für Hängetore ist ein präzise gefertigtes Fahrelement für Schiebetor-Hängesysteme mit einem Trägerprofil 60×60 mm. Ausgestattet mit zwei Stahlrollen und einer Kunststoffrolle, gewährleistet er einen reibungslosen und leisen Betrieb des Einfahrtstors bei einer maximalen Belastung von 200 kg.
Die Konstruktion des Laufwagens basiert auf einem massiven Winkel aus verzinktem Stahl, was eine hohe Korrosionsbeständigkeit und eine langlebige Nutzung unter wechselnden Witterungsbedingungen garantiert. Die auf Kugellagern gelagerten Rollen minimieren den Rollwiderstand, was eine leichte und störungsfreie Bewegung des Torflügels ermöglicht – selbst bei hohen Belastungen.

Aufbau und Funktionsprinzip
Der Laufwagen besteht aus drei Rollen mit einem Durchmesser von 51 mm – zwei vertikale Stahlrollen führen das Tor entlang des unteren Flansches des Trägerprofils, während die dritte, horizontal angebrachte Kunststoffrolle den Torflügel seitlich stabilisiert und seitliche Abweichungen sowie Vibrationen eliminiert. Diese Anordnung gewährleistet eine sichere Dreipunktführung im Profil 60×60 mm.
Die Montageplatte mit Langlöchern ermöglicht die Einstellung der Position des Laufwagens relativ zum Torflügel, was eine präzise Ausrichtung bei der Montage und spätere Korrekturen im laufenden Betrieb erleichtert.

Abmessungen und Montagedaten
- Gesamthöhe des Laufwagens: 89,5 mm
- Höhe bis zur Achse der vertikalen Rollen: 80 mm
- Höhe bis zur Oberkante der horizontalen Rolle: 81,5 mm
- Rollendurchmesser (Stahl und Kunststoff): 51 mm
- Gesamtbreite der vertikalen Rollen: 44 mm
- Breite einer einzelnen Rolle: 13 mm
- Achsabstand der Rollen (vertikal – horizontal): 68 mm
- Wandstärke des Winkels: 8 mm
- Abmessungen der Montageplatte: 90 × 60 mm
- Langlöcher: Breite 13 mm, Länge 20 mm
- Lochabstand der Montagebohrungen: 60 mm
- Abstand der Lochachse vom Plattenrand: 15 mm
Technische Parameter
- Maximale Belastung: 200 kg
- Führungsprofil: 60×60 mm
- Rollen: 2 Stahl + 1 Kunststoff
- Winkelmaterial: verzinkter Stahl
- Lagerung: Kugellager
- Gewicht: 1,075 kg
- Verpackungsvolumen: 810 cm³
- EAN: 5903313204552
Der Laufwagen ist montagebereit – er wird mit Schrauben durch die Langlöcher der Montageplatte direkt an der Konstruktion des Torflügels befestigt. Die längliche Form der Löcher ermöglicht eine Positionsregulierung im Bereich von einigen Millimetern, was bei der Ausrichtung des Tors nach der Installation entscheidend ist.
Ładowanie tabeli porównawczej...
Ładowanie galerii...
Technische Daten
| Laufschienengröße | 60x60x4 |
| Produkttyp | Einzelwagen |
| Rollenmaterial | Stahl |
| Anzahl Rollen [szt.] | 3 |
| Laufwagenausführung | Fest |
| Max. Tragkraft [kg] | 200 |
| Laufsystemtyp | Hängesystem |
Safety
Es werden alle Bewertungen (positive und negative) angezeigt, wobei die Anzahl der Bewertungen auf der Plattform begrenzt ist. Wir verifizieren, dass sie von Kunden stammen, die das Produkt gekauft haben. Weitere Informationen finden Sie auf unserer Seite Kommentarrichtlinien.