0,34 €
0,28 €
PINOX – Eckpfosten für Balustrade ø 42,4 mm h981 mm Edelstahl AISI 304 satiniert
product unavailable
Zur Wunschliste hinzufügen
0
Beschreibung
PINOX – Eckpfosten für Balustrade ø 42,4 mm h981 mm Edelstahl AISI 304 satiniert

Der Eckpfosten PINOX ist ein professionelles Bauelement für Balustraden, das für die Bodenmontage vorgesehen ist. Gefertigt aus Edelstahl AISI 304 mit satinierter Oberfläche bietet er hohe Korrosionsbeständigkeit und ein elegantes Erscheinungsbild, das sich sowohl im Innen- als auch im Außenbereich bewährt.
Der Pfosten ist mit 4 präzise gewindeten Bohrungen M8 ausgestattet, die in zwei Paaren im 90°-Winkel angeordnet sind und eine stabile Befestigung der Halterungen für Stäbe oder Füllungsrohre der Balustrade ermöglichen. Die angeschweißte Montageplatte mit einem Durchmesser von ø100 mm mit drei Langlöchern gewährleistet eine sichere und dauerhafte Befestigung am Untergrund. Der Pfosten ist mit dem Standard-Balustradensystem 42,4 mm kompatibel.
Technische Spezifikation
- Typ: Eckpfosten, unbewehrt
- Material: Edelstahl AISI 304
- Oberfläche: satiniert
- Rohrdurchmesser: ø42,4 mm
- Rohrwandstärke: 2 mm
- Gesamthöhe: 981 mm
- Montagebohrungen: 4 Stk. mit Gewinde M8 (2 Paare zu je 2 Bohrungen im 90°-Winkel)
- Abstand der Bohrungenpaare vertikal: 610 mm
- Abstand oberes Paar von der Spitze: 121 mm
- Abstand unteres Paar von der Basis: 250 mm
- Befestigung: Bodenbefestigung
- Gewicht: 2,1 kg
- EAN: 5903313205498
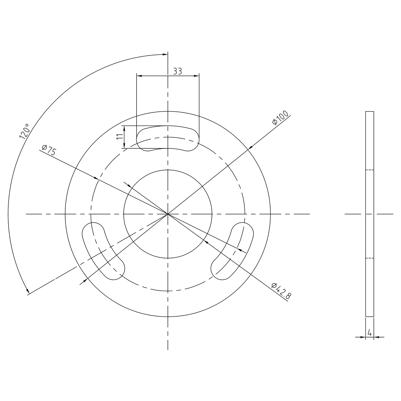
Abmessungen der Montageplatte (Flansch)

- Außendurchmesser der Platte: ø100 mm
- Durchmesser der zentralen Bohrung: ø42,8 mm
- Plattenstärke: 4 mm
- Montagebohrungen: 3 Langlöcher (33 × 11 mm) auf Teilkreisdurchmesser ø75 mm, alle 120° verteilt
Pfostenabmessungen — technische Zeichnung

Die Zeichnung zeigt die Anordnung der M8-Gewindebohrungen am Pfosten sowie die wichtigsten vertikalen Abmessungen. Die Bohrungen sind in zwei Paaren angeordnet – das obere Paar befindet sich 121 mm von der Spitze, das untere 250 mm von der Basis, der Abstand zwischen den Paaren beträgt 610 mm. Das Rohr mit dem Querschnitt ø42,4 × 2 mm ist an die Platte mit dem Durchmesser ø100 mm angeschweißt.

Anwendung und Pflege
Der Eckpfosten PINOX ist hauptsächlich für den Innenbereich bestimmt – Treppenhäuser, Mezzanine, Galerien oder Geschäftsgebäude. Er kann auch im Außenbereich bei entsprechender regelmäßiger Wartung eingesetzt werden. Nicht empfohlen wird die Montage in unmittelbarer Nähe von Schwimmbädern, Hallenbädern oder in Bereichen, die intensiver Meersalzeinwirkung ausgesetzt sind.
Die Langlöcher in der Grundplatte erleichtern die präzise Ausrichtung des Pfostens während der Montage, und der angeschweißte Flansch eliminiert die Notwendigkeit zusätzlicher Adapter – eine direkte Verschraubung am Untergrund genügt. Dadurch ist die Installationszeit erheblich kürzer, was sich in einer höheren Effizienz des Montageteams niederschlägt.
Technische Daten
| Material | AISI 304 |
| Oberfläche | Satin |
| Montagesystem | 42,4 mm |
Safety
Es werden alle Bewertungen (positive und negative) angezeigt, wobei die Anzahl der Bewertungen auf der Plattform begrenzt ist. Wir verifizieren, dass sie von Kunden stammen, die das Produkt gekauft haben. Weitere Informationen finden Sie auf unserer Seite Kommentarrichtlinien.